We supply Starlock Push on Fix in the following materials:
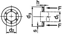
| For shaft d1 (h11) | d2 (max.) | d3 | h | s |
|---|---|---|---|---|
| 2mm | 1.84mm | 9.7mm | 1.3mm | 0.2mm |
| 3mm | 2.81mm | 9.7mm | 1.3mm | 0.2mm |
| 4mm | 3.8mm | 11.5mm | 1.3mm | 0.2mm |
| 5mm | 4.74mm | 11.5mm | 1.3mm | 0.2mm |
| 6mm | 5.7mm | 15.3mm | 1.3mm | 0.25mm |
| 6.35mm | 6.08mm | 15.3mm | 1.3mm | 0.25mm |
| 7mm | 6.72mm | 15.3mm | 1.3mm | 0.25mm |
| 8mm | 7.66mm | 15.3mm | 1.3mm | 0.25mm |
| 9mm | 8.75mm | 18.4mm | 1.9mm | 0.3mm |
| 10mm | 9.74mm | 18.4mm | 1.9mm | 0.3mm |
| 11mm | 10.76mm | 18.4mm | 1.9mm | 0.3mm |
| 12mm | 11.62mm | 25.0mm | 2.3mm | 0.4mm |
| 13mm | 12.64mm | 25.0mm | 2.3mm | 0.4mm |
| 14mm | 13.66mm | 28.2mm | 2.3mm | 0.4mm |
| 15mm | 14.68mm | 28.2mm | 2.3mm | 0.4mm |
| 16mm | 15.53mm | 28.2mm | 2.3mm | 0.4mm |
| 17mm | 16.68mm | 28.2mm | 2.3mm | 0.4mm |
| 18mm | 17.62mm | 36.6mm | 3.0mm | 0.4mm |
| 19mm | 18.69mm | 36.6mm | 3.0mm | 0.4mm |
| 20mm | 19.63mm | 36.6mm | 3.0mm | 0.4mm |
| 24mm | 23.66mm | 41.4mm | 3.2mm | 0.5mm |
| 25mm | 24.63mm | 41.4mm | 3.2mm | 0.5mm |